Description
CVM-100
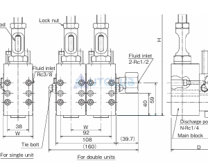
Dispensing volume 2-10 cm3/stroke, Working pressure range(Grease,Oil)( 5.9-14.7,0.3-0.7 MPa), Used grease NLGI No.0-No.2
Specifications
Related products
Delivery
Support & Help
Quality Product





